產品介紹
FX2NC-16EX-T三菱PLC 16點擴展輸入模塊,用于緊湊型PLC系列中的。FX2NC-16EX-T供應商,FX2NC-16EX-T免費技術咨詢!服務熱線:400-8819-130、0755-88356415。
三菱PLC模塊 FX2NC-16EX-T特點:
1、16點擴展輸入
2、FX1NC,FX3GC,FX2NC,FX3UC可以直接連此設備
3、由基本單元內部供電
三菱PLC模塊 FX2NC-16EX-T性能規格:
【輸入點數】:16點
【輸入連接方式】:歐洲端子臺
【輸入方式】:漏型
【輸入信號電壓】:DC24V +20% -15% 波動(p-p)5%以內
【輸入電阻】:4.3kΩ
【輸入信號電流】:5mA/DC24V
【輸入ON電流靈敏度】:3.5mA以上
【輸入OFF電流靈敏度】:1.5mA以下
【響應時間】:10ms
【輸入信號形式】:無線電壓焊點輸入或者NPN晶體管開路集電極
【開路漏電電流】:0.1mA以下/DC30V
【ON電壓】:1.5V以下
【回路絕緣】:光電耦合器隔離
【重量】:0.1.5KG
【FX2NC-16EX-T面價】
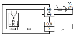
【FX2NC-16EX-T輸入回路圖】:

三菱FX2N系列PLC,FX2N PLC模塊,FX2NC-16EX-T 100%保證品質,FX2NC-16EX-T特價銷售!
我們的優勢:
【A】:10多年來一直專注于三菱原裝工控領域,專業代理原裝三菱plc、三菱變頻器、三菱伺服電機、三菱觸摸屏、三菱減速機、三菱機器人等原裝進口自動化產品,備有各類現貨庫存高達2000多種,100%原裝正品,假一罰十!
【B】:完善的售后服務體系,常規型號24小時內迅速發貨,物流部門本著"安全、高效、快捷”的服務理念,可滿足客戶的各類物流需求。
1、廣東省內客戶可滿足上午發貨,下午送達,下午發貨,第二天早上送達。
2、省外客戶可提供即日達、隔日達、普通快遞、物流等服務,滿足客服多樣化的需求,為您提供快捷速遞服務的同時,為您節約物流成本。
3、國外客戶可提供國際海運集裝箱拼箱運輸服務,可提供貼嘜頭、固定卡板、打木架等個性化服務。
【C】:所有產品咨詢、報價、貨期三分鐘內及時響應,公司客服及銷售人員經過嚴格的產品知識培訓,能為您提供產品選型、產品報價、產品介紹等專業的售前技術咨詢,還可提供編程軟件免費下載、編程入門、視頻教學、 技術培訓等,為您解決后顧之憂,提供一站式的優質服務。
【D】:雄厚的技術實力, 擁有專業、高效的技術團隊,所有技術人員均已通過三菱專業技術工程師的考核,可幫助客戶進行PLC程序設計、觸摸屏程序設計、伺服系統編程與調試,工程總包等,并根據您的現場需要提供技術上門支持, 省內客戶接到技術請求后3小時即可上門,為您的企業自動化插上展翅飛翔的翅膀。
【E】:專業的維修工程師團隊,365天免費保修,修復時間快、48小時內為您排憂解難,提供詳盡的維修解決方案,為您提供高效的售后維修服務。




