
- 三菱plc中的SUM指令如何使用呢(三菱plc的sum指令使用介紹)
- 三菱的ON位數統計指令SUM (D)SUM(P)指令,該指令是用來統計指定元件中1的個數。如圖4所示,當X0有效時執行SUM指令,將源操作數D0中1的個數送入目標操作數[D2中,若D0中沒有1,則零標志M8020將置1。 使用SUM指令時應注意: 1)源操作數可...

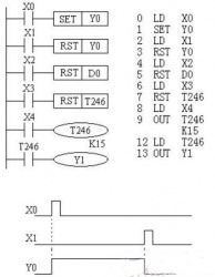
- 三菱plc復位,三菱FX系列PLC置位與復位指令(SET/RST)
- 三菱FX系列PLC置位與復位指令(SET/RST): 1、SET (置位指令):使被操作的目標元件置位并保持。 2、RST (復位指令):使被操作的目標元件復位并保持清零狀態。 SET、RST 指令的使用如圖1: 三菱FX系列PLC置位與復位指令(SET/RST)...

- 三菱PLC中子程序調用指令CALL究竟有多重要
- 子程序調用指令CALL的優勢:編寫好一個功能程序,可以在主程序中多個位置進行調用,從而避免了重復性的工作;類似于后面將要介紹FB功能塊和FC函數; CALL指令和CJ(跳轉)指令的區別:CALL指令調用完子程序后會返回到起始處;CJ跳轉指令則不...

- 三菱PLC結構化文本語言編程功能講解
- 三菱plc fx系列的結構化文本(st)語言編程功能講解 PLC有5種編程語言。三菱PLC一般常用其中的3種:LAD(梯形圖)、STL(語句表)、SFC(順序功能圖)。還有兩種不常用:FBD(功能塊圖)、ST(結構化文本語言). plc編程方法有幾種 1...

- 三菱Q系列PLC程序解密(三菱plc解密方法)
- 三菱Q系列PLC程序解密方法? 如果用戶忘記了PLC的密碼,將無法解碼。因為所有的參數都已經被加密了。這時,用戶應當初始化PLC的程序和密碼。 根據PLC型號不同,初始化PLC的方法也不一樣。用戶可以通過除去PLCCPU模塊中的電池的方法來...

- 三菱PLC輸入輸出通信模塊介紹,在哪些情況下使用模塊?
- 三菱PLC的輸入、輸出擴展模塊、還有通信模塊到底是什么? 1、輸入模塊: PLC的輸入接口為光電耦合器,由兩個發光二極度管和光電三極管組成。 其中發光二級管在光電耦合器的輸入端加上變化的電信號,發光二極管就產生與輸入信號變...

- 三菱plc模擬量模塊問題大全詳解
- 三菱plc如何模擬量輸入? 1。所謂的模擬量輸入其實就是接受外部的電壓或是電流值,把電壓或是電流這樣的模擬信號轉化成PLC可以識別的數字信號即數據(16位或32位),對應關系可以通過PLC參數設置,比如10V對應數字式4000,5V對應數字式2...

- 三菱PLC編程軟件如何安裝呢?
- 三菱PLC編程軟件如何安裝呢? 三菱PLC編程軟件的安裝步驟如下: 1、鼠標右鍵點擊下載好的三菱PLC安裝包,把安裝包解壓到指定文件夾。 2、解壓壓縮包之后,會有一個文件夾出現,打開文件夾,找到“setup”文件,鼠標左鍵雙擊安裝...



