延時起動定時運行控制的PLC線路與梯形圖-PLC知識
海藍機電三菱PLC知識分享:延時起動定時運行控制的PLC線路與梯形圖。
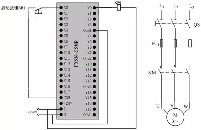
延時起動定時運行控制的PLC線路與梯形圖它可以實現的功能是:按下起動按鈕3秒鐘后,電動機起動運行,運行5秒鐘后自動停止。
PLC線路與梯形圖說明如下:
以上就是關于延時起動定時運行控制的PLC線路與梯形圖-PLC知識的全部內容了。海藍機電,每天與你不見不散。
海藍機電為你提供機器人視覺、上位機軟件、自動化開發、機電設備維修等技術服務。
深圳市海藍機電設備有限公司(www.xmbodi.com)專業經營:三菱PLC、三菱伺服電機、三菱變頻器、三菱觸摸屏等工控自動化產品的批發和代理工作。
電話:0755-88356296(10線) 吳經理:13823726967
本文原創自:深圳海藍機電設備有限公司,轉載請注明出處:http://www.xmbodi.com/article/848.html.
相關內容
暫無留言!




評論信息