PLC知識:定時器與計數器組合延長定時控制的PLC線路與梯形圖
三菱PLC知識分享:PLC知識;定時器與計數器組合延長定時控制的PLC線路與梯形圖。詳見下文說明。
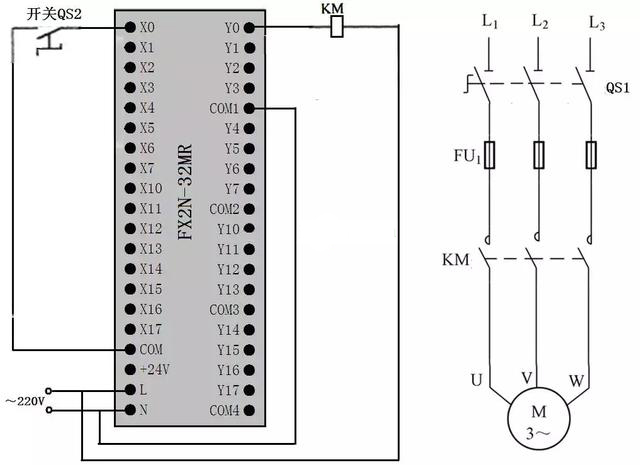
PLC線路與梯形圖說明如下:
圖中的定時器T0定時單位為0.1s(100ms),它與計數器C0組合使用后,其定時時間T=30000×0.1秒×30000=90000000秒=25000小時。若需重新定時,可將開關QS2斷開,讓[2]X000常閉觸點閉合,讓“RST C0”指令執行,對計數器C0進行復位,然后再閉合QS2,則會重新開始250000小時定時。
PLC知識:定時器與計數器組合延長定時控制的PLC線路與梯形圖內容到此完畢。
海藍機電,三菱自動化代理商,我們只賣原裝正品。三菱PLC、三菱伺服電機、三菱變頻器、三菱觸摸屏;威綸觸摸屏、新寶減速機現貨充足!提供技術服務:機器人視覺、自動化開發、上位機軟件。
電話:0755-88356296(10線) 吳經理:13823726967
本文原創自:深圳海藍機電設備有限公司,轉載請注明出處:http://www.xmbodi.com/article/846.html.




評論信息